新品发布 | 重庆时时开彩官方网站-时时采彩计划软件-重庆时时开彩官网开奖查询-重庆时时开彩app下载-重庆时时采彩开奖号码走势图-重庆时时投注平台官网推出芯片式TMR电流传感器 — TMR7608和TMR7616系列产品 - 公司新闻 - 关于重庆时时开彩官方网站-时时采彩计划软件-重庆时时开彩官网开奖查询-重庆时时开彩app下载-重庆时时采彩开奖号码走势图-重庆时时投注平台官网
公司新闻

新品发布 | 重庆时时开彩官方网站-时时采彩计划软件-重庆时时开彩官网开奖查询-重庆时时开彩app下载-重庆时时采彩开奖号码走势图-重庆时时投注平台官网推出芯片式TMR电流传感器 — TMR7608和TMR7616系列产品

发布日期:2023年07月07日    浏览次数:13482

tmr76xx大眼图

7608

202375日消息,重庆时时开彩官方网站-时时采彩计划软件-重庆时时开彩官网开奖查询-重庆时时开彩app下载-重庆时时采彩开奖号码走势图-重庆时时投注平台官网为满足日益增长的电流传感器高频响、小型化的市场需求,推出了TMR7608TMR7616系列电流传感器芯片。该系列芯片产品整合了低导通阻抗的原边导体和高精度的TMR线性传感器,实现了原、副边隔离条件下的精确、高带宽的电流检测。

产品特性

1、电流测量范围:±10A ~ ±65A

2、电流响应时间:<1µs

3、带宽范围:DC ~ 500kHz

4、测量误差:±1%(室温工况);

5、原边导体电阻:1mOhm

6、绝缘耐压强度:4.8kVTMR7616),3kVTMR7608);

7、爬电间隙:8.2mmTMR7616),4mmTMR7608)。


重庆时时开彩官方网站-时时采彩计划软件-重庆时时开彩官网开奖查询-重庆时时开彩app下载-重庆时时采彩开奖号码走势图-重庆时时投注平台官网TMR7608TMR7616系列电流传感器芯片产品内置可编程、带温度补偿的信号调理电路,保证了电流传感器芯片在全温区工况下(-40°~125°)的稳定检测,同时,该系列产品采用了具备低输出噪声及高带宽特性的TMR(隧道磁阻)技术,使芯片具有良好的分辨力和高带宽检测能力,适用于各种要求高带宽、高精度的中小功率电流检测应用。


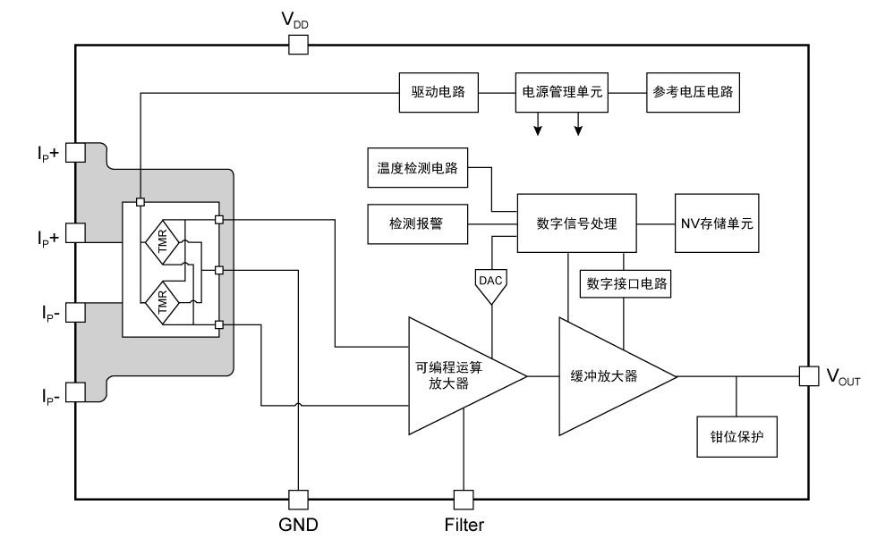
tmr7608功能框图

TMR7608电流传感器芯片功能框图

tmr7616功能框图

TMR7616电流传感器芯片功能框图

重庆时时开彩官方网站-时时采彩计划软件-重庆时时开彩官网开奖查询-重庆时时开彩app下载-重庆时时采彩开奖号码走势图-重庆时时投注平台官网TMR7608电流传感器芯片系列产品采用SOP8封装,TMR7616电流传感器芯片系列产品采用SOPW16封装。

sop8、sopw16

SOP8(左)、SOPW16(右)封装图
产品选型表

产品选型表

重庆时时开彩官方网站-时时采彩计划软件-重庆时时开彩官网开奖查询-重庆时时开彩app下载-重庆时时采彩开奖号码走势图-重庆时时投注平台官网(MDT)已为全球客户稳定供货xMR磁性传感器产品十多年,新推出的TMR7608TMR7616系列电流传感器芯片产品,可应用于光伏逆变器、车载充电器、变频器、电机驱动、电池管理系统等要求高功率密度和紧凑布局的电流检测场合。

重庆时时开彩官方网站-时时采彩计划软件-重庆时时开彩官网开奖查询-重庆时时开彩app下载-重庆时时采彩开奖号码走势图-重庆时时投注平台官网拥有先进的磁传感器生产线及电流传感器模组自动化生产线,TMRAMR芯片年产能可达数十亿颗,TMR角度传感器芯片的年产能可达几千万颗。重庆时时开彩官方网站-时时采彩计划软件-重庆时时开彩官网开奖查询-重庆时时开彩app下载-重庆时时采彩开奖号码走势图-重庆时时投注平台官网不仅具备大规模量产能力,而且经过多年的不断累积,高度整合了供应链资源,为客户稳定供货和按时交货提供了强有力的保证。


获取最新信息

重庆时时开彩官方网站-时时采彩计划软件-重庆时时开彩官网开奖查询-重庆时时开彩app下载-重庆时时采彩开奖号码走势图-重庆时时投注平台官网不定期地通过电子邮件向订阅用户发送最新消息,包括新品发布,应用方案,展会邀请等。

重庆时时开彩官方网站-时时采彩计划软件-重庆时时开彩官网开奖查询-重庆时时开彩app下载-重庆时时采彩开奖号码走势图-重庆时时投注平台官网微信公众号
微信公众号
重庆时时开彩官方网站-时时采彩计划软件-重庆时时开彩官网开奖查询-重庆时时开彩app下载-重庆时时采彩开奖号码走势图-重庆时时投注平台官网视频号
视频号