江苏重庆时时开彩官方网站-时时采彩计划软件-重庆时时开彩官网开奖查询-重庆时时开彩app下载-重庆时时采彩开奖号码走势图-重庆时时投注平台官网推出用于机器人关节的磁编码器方案 - 磁传感器知识 - 设计资料
磁传感器知识

江苏重庆时时开彩官方网站-时时采彩计划软件-重庆时时开彩官网开奖查询-重庆时时开彩app下载-重庆时时采彩开奖号码走势图-重庆时时投注平台官网推出用于机器人关节的磁编码器方案

发布日期:2025年03月14日    浏览次数:52561

大眼图.webp

图1

2025 年 3 月 13 日消息,专注于 AMR(各向异性磁阻)和 TMR(隧道磁阻)技术的磁传感器制造商重庆时时开彩官方网站-时时采彩计划软件-重庆时时开彩官网开奖查询-重庆时时开彩app下载-重庆时时采彩开奖号码走势图-重庆时时投注平台官网 (MultiDimension Technology Co., Ltd.,简称“MDT”) 为满足人形、犬型等机器人关节的闭环控制要求,推出多种基于 TMR 磁阻芯片的磁编码器方案。方案可以满足对轴和离轴多种组合使用,对安装要求低,具有小尺寸、低成本、高精度的特点。

图2.webp


对轴磁编码器方案

auto_4791.jpg

对轴磁编码器方案常规用于直流电机轴端角度检测,配合单对极充磁磁铁和一颗TMR3110或TMR3111来实现。 

TMR3110、TMR3111具有自校准功能,配合单对极充磁磁铁,可以达到0.05°的绝对角度精度,满足40000RPM的转速需求。

TMR3110、TMR3111有SPI,ABZ和PWM输出方式,满足客户多种通讯接口需要。

其中,TMR3111D采用DFN10L(3mm × 3mm × 0.75mm)小尺寸封装,能够节约用户的PCBA布板空间。

图3.webp图1 对轴磁编码器方案原理图

图4.webp图2 TMR3110所测磁场角度定义(顶视图)


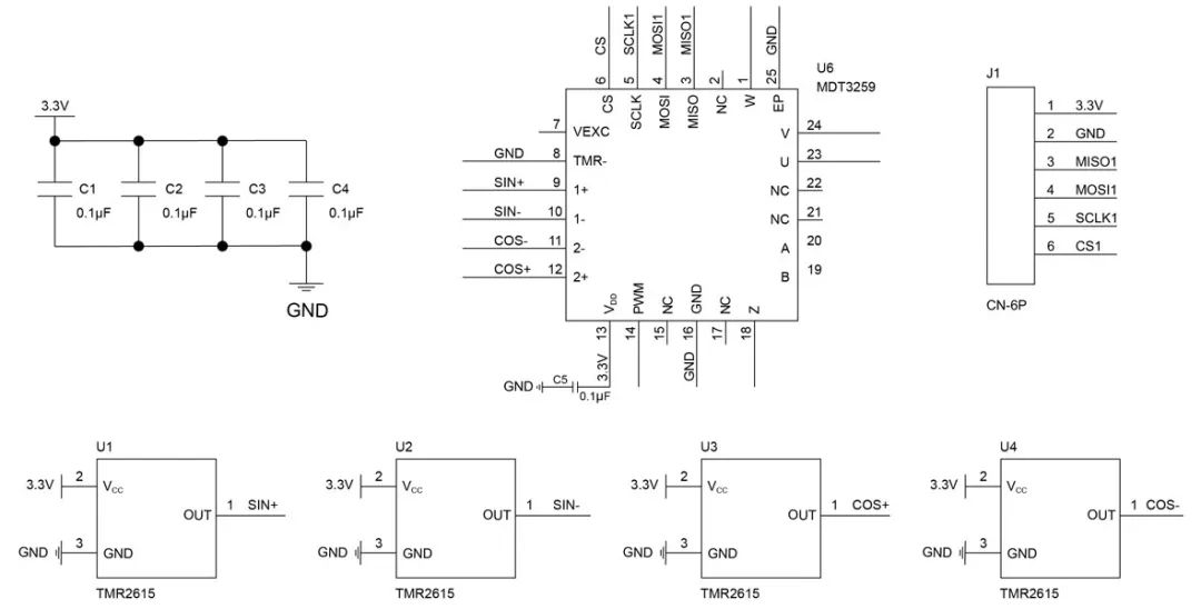
离轴磁编码器方案

auto_4791.jpg

离轴方案常用于无框力矩电机端角度检测和减速器输出端角度检测。配合单对极充磁的磁环和线性TMR磁阻芯片来实现。

4颗TMR2615线性芯片按图3所示,在磁环外圈排列,排列相位为90°,通过4颗TMR2615的相互补偿,可以有效降低轴向和径向抖动带来的偏差。采用江苏重庆时时开彩官方网站-时时采彩计划软件-重庆时时开彩官网开奖查询-重庆时时开彩app下载-重庆时时采彩开奖号码走势图-重庆时时投注平台官网的角度运算芯片MDT3259,可以自校准4颗TMR2615的输出信号,输出绝对角度信号,有SPI,ABZ和PWM输出方式,满足客户多种通讯接口需要。该方案可以满足±0.15°的离轴绝对角度精度,3000RPM以上的转速需求。

TMR2615是江苏重庆时时开彩官方网站-时时采彩计划软件-重庆时时开彩官网开奖查询-重庆时时开彩app下载-重庆时时采彩开奖号码走势图-重庆时时投注平台官网的线性TMR芯片,有DFN3L (1.6 mm × 1.6 mm × 0.5 mm) 小尺寸封装,其水平方向敏感,在单磁环离轴方案中,可以大大降低客户的整体机构厚度,也节约了客户的PCBA布板空间。

MDT3259是一颗角度编码器信号调理芯片,可以把正余弦电压芯片转换为数字角度信号,且具有多阶谐波校准功能,采用DFN24L (4mm × 4mm × 0.75mm) 封装。

图5.webp图3 离轴磁编码器方案原理图

图6.webp图4 推荐电路图


双对轴 TMR3110/3111 组合方案

auto_4791.jpg

针对直流电机和行星减速器组合的机器人关节方案,双对轴 TMR3110/3111 组合方案安装简单、成本低,江苏重庆时时开彩官方网站-时时采彩计划软件-重庆时时开彩官网开奖查询-重庆时时开彩app下载-重庆时时采彩开奖号码走势图-重庆时时投注平台官网推出单对级磁铁磁屏蔽方案,可以有效消除输入输出轴端的两颗单对极磁铁相互影响。在组合使用中满足 ±0.15° 的绝对角度精度需求。

图7.webp图5 双对轴TMR3110/3111组合方案原理图


单对极磁铁对轴+单对极磁环离轴组合方案

auto_4791.jpg

针对直流电机和行星减速器的机器人关节方案,单对极磁铁对轴(TMR311x)+ 单对极磁环离轴(TMR2615×4 + MDT3259 组合方案)结构更为简单。通过增加磁屏蔽,可有效消除磁铁和磁环的相互影响。在组合中满足 ±0.15° 的绝对角度精度需求。

图8.webp图6 单对极磁铁对轴+单对极磁环离轴组合方案原理图

* 江苏重庆时时开彩官方网站-时时采彩计划软件-重庆时时开彩官网开奖查询-重庆时时开彩app下载-重庆时时采彩开奖号码走势图-重庆时时投注平台官网可以提供用于机器人关节的完整磁编码器方案,如需详细方案和技术支持,请联系我们。


江苏重庆时时开彩官方网站-时时采彩计划软件-重庆时时开彩官网开奖查询-重庆时时开彩app下载-重庆时时采彩开奖号码走势图-重庆时时投注平台官网倾力打造的磁传感器晶圆 IDM 模式制造平台,经过十多年不断地累积,高度整合了供应链资源,在满足客户的批量采购需求的同时,最大程度地保障供应产品的质量一致性及稳定性。江苏重庆时时开彩官方网站-时时采彩计划软件-重庆时时开彩官网开奖查询-重庆时时开彩app下载-重庆时时采彩开奖号码走势图-重庆时时投注平台官网为满足客户多元化的定制需要,将努力提供更多、更好的优质磁传感器芯片产品。

auto_3900.jpg

点击了解更多TMR2615TMR3110TMR3111产品详情

获取最新信息

重庆时时开彩官方网站-时时采彩计划软件-重庆时时开彩官网开奖查询-重庆时时开彩app下载-重庆时时采彩开奖号码走势图-重庆时时投注平台官网不定期地通过电子邮件向订阅用户发送最新消息,包括新品发布,应用方案,展会邀请等。

重庆时时开彩官方网站-时时采彩计划软件-重庆时时开彩官网开奖查询-重庆时时开彩app下载-重庆时时采彩开奖号码走势图-重庆时时投注平台官网微信公众号
微信公众号
重庆时时开彩官方网站-时时采彩计划软件-重庆时时开彩官网开奖查询-重庆时时开彩app下载-重庆时时采彩开奖号码走势图-重庆时时投注平台官网视频号
视频号