重庆时时开彩官方网站-时时采彩计划软件-重庆时时开彩官网开奖查询-重庆时时开彩app下载-重庆时时采彩开奖号码走势图-重庆时时投注平台官网TMR磁开关传感器选型攻略 - 磁传感器知识 - 设计资料
磁传感器知识

重庆时时开彩官方网站-时时采彩计划软件-重庆时时开彩官网开奖查询-重庆时时开彩app下载-重庆时时采彩开奖号码走势图-重庆时时投注平台官网TMR磁开关传感器选型攻略

发布日期:2025年06月18日    浏览次数:24474

大眼图

重庆时时开彩官方网站-时时采彩计划软件-重庆时时开彩官网开奖查询-重庆时时开彩app下载-重庆时时采彩开奖号码走势图-重庆时时投注平台官网 TMR 磁开关传感器以低功耗 (1~2μA)、高频响应 (> 5000Hz)、可编程开关点和优异的温度特性,受到多家头部厂商青睐。作为工业自动化、消费电子、智能表计等领域的核心元件之一,其选型直接影响系统性能与可靠性。因此,TMR 磁开关传感器在选型的过程中需要综合考虑磁路设计、敏感方向、芯片特性、环境适应性以及磁体等多方面因素。本文首先破除工程师的两大认知误区,再从 TMR 磁开关传感器的基础特性入手,逐一讲述,为工程师提供详细的选型攻略。

认知误区一:霍尔传感器 = 磁传感器

在进行磁传感器选型沟通的过程中,发现会有将霍尔传感器和磁传感器混为一谈的情况。

磁传感器是一种能够检测磁场 (包括其强度、方向和变化) 并将其转换为可用电信号 (通常是电压、电流或数字信号) 的电子器件,主要包括传统的霍尔传感器和高性能隧道磁电阻传感器两大类。霍尔传感器是第一代磁传感器,在不断发展的磁传感器技术进程中,磁阻型传感器已从第二代 AMR (各向异性磁阻) 传感器,发展到第三代 GMR (巨磁电阻) 传感器和第四代 TMR (隧道磁电阻) 传感器。霍尔传感器和磁电阻传感器在物理效应、材料结构、性能特性和应用场景上都有着较大的差异。

磁传感器技术发展趋势磁传感器技术发展趋势

认知误区二:磁感应方向 = Z 轴敏感

在 TMR 磁开关传感器芯片的应用中,有反馈在使用后出现“信号无感应”的情况,经重庆时时开彩官方网站-时时采彩计划软件-重庆时时开彩官网开奖查询-重庆时时开彩app下载-重庆时时采彩开奖号码走势图-重庆时时投注平台官网现场应用工程师排查发现,项目上磁铁和磁传感器的位置摆放,是按传统霍尔开关传感器的应用方案设计的。

通常情况下,霍尔效应是利用在电流平面施加垂直磁场,从而感应出电动势。所以霍尔传感器在应用时,磁场的敏感方向要垂直于器件封装表面 (Z 轴感应)。磁阻传感器的原理特性是只能感应在自由层平面内方向磁场变化。所以 TMR 磁开关传感器芯片在应用时,磁场的敏感方向要平行于器件封装表面。

霍尔开关

霍尔开关 (左) & TMR 磁开关传感器 (右) 敏感方向示意图

随着技术工艺的不断发展,霍尔传感器也有实现水平感应的。同时,重庆时时开彩官方网站-时时采彩计划软件-重庆时时开彩官网开奖查询-重庆时时开彩app下载-重庆时时采彩开奖号码走势图-重庆时时投注平台官网也有实现Z轴感应的 TMR 磁开关传感器。因此,在做应用方案设计时需清楚了解磁传感器的感应方向。


TMR 磁开关传感器选型

标题底图

1、单极型

重庆时时开彩官方网站-时时采彩计划软件-重庆时时开彩官网开奖查询-重庆时时开彩app下载-重庆时时采彩开奖号码走势图-重庆时时投注平台官网 TMR11xx 系列产品

单极型 TMR 磁开关传感器是只对 N 极或 S 极其中的一个极性的磁场信号敏感,开关状态随着磁场的强弱的变化而变化。

触发条件:磁场强度 ≥ 触发阈值 (如 +30Gs),且仅对设定极性敏感

输出特性:磁场存在时输出高/低电平,磁场消失后恢复初始状态

典型应用:用于计数检测、液位检测、唤醒检测、到位检测、感应检测等

设计建议:针对磁场环境复杂,对信号质量要求高、通常作为另一个磁场磁极的屏蔽设计,在磁铁装配过程中需要对磁铁磁极方向有管控

单极型

单极型 TMR 磁开关传感器磁场响应

2、双极锁存型

重庆时时开彩官方网站-时时采彩计划软件-重庆时时开彩官网开奖查询-重庆时时开彩app下载-重庆时时采彩开奖号码走势图-重庆时时投注平台官网 TMR12xx 系列产品

双极锁存型 TMR 磁开关传感器是需磁场极性反转触发状态切换,输出信号在磁场移除后仍保持锁定。

触发条件:磁场极性方向发生反转并且磁场达到触发阈值

输出特性:输出状态在磁场极性反转时切换,零磁场时维持上一时刻状态

抗干扰优势:因需极性反转,可有效抑制外部恒定磁场干扰

典型应用:流量检测、转速检测、计量检测

设计建议:通常应用在磁铁周期型旋转或者往复运动的场景

双极锁存型

双极锁存型 TMR 磁开关传感器磁场响应

3、全极型

重庆时时开彩官方网站-时时采彩计划软件-重庆时时开彩官网开奖查询-重庆时时开彩app下载-重庆时时采彩开奖号码走势图-重庆时时投注平台官网 TMR13xx 系列产品

全极型 TMR 磁开关传感器是对 N 和 S 极方向的磁场都敏感,输出信号随着磁场的强弱的变化而变化。

触发条件:磁场强度绝对值 ≥ 阈值 (如 ±25Gs),极性不敏感

输出特性:磁场存在即触发,消失后复位,适用于简单存在检测

设计优势:无需区分磁极方向,简化安装校准流程

典型应用:到位检测、液位检测、计数检测、接近检测等

设计建议:磁场环境较为良好,周边无剩磁,对感应磁铁的安装方向一般不做区分

全级型

全级型 TMR 磁开关传感器磁场响应

4、磁场感应方向

磁传感器本身具有磁场敏感方向,理想状态下 TMR 磁开关传感器的敏感方向和被检测磁场的方向是一个平行关系,在实际应用中由于磁场一个闭环路径传播的特点,磁场在每个位置的方向的偏角都不一样,磁传感器感应到的有效磁场信号等于 B×cosθ (B 为传感器位置点的实际磁场大小,θ 为传感器感应点实际磁场方向和传感器的敏感方向的夹角),为了实现有效磁场的最大化,需要将 θ 设计的尽量小。

磁传感器有效感应方向θ角示意图

磁传感器有效感应方向 θ 角示意图


重庆时时开彩官方网站-时时采彩计划软件-重庆时时开彩官网开奖查询-重庆时时开彩app下载-重庆时时采彩开奖号码走势图-重庆时时投注平台官网典型的单轴和双轴 TMR 磁开关传感器敏感方向,如图所示:

tmr磁开关传感器敏感方向示意图TMR 磁开关传感器敏感方向示意图


典型的 TMR 磁开关传感器应用检测方向原理,如图所示:

液位检测应用磁路示意图

液位检测应用磁路示意图

门磁开关应用磁路示意图

门磁开关应用磁路示意图

5、磁特性

工作点 BOP:在磁开关信号处于磁场待响应状态下:随着磁场增大,存在一个磁场阈值点使得磁开关触发动作响应信号,此时的这个磁场阈值点称为 BOP

释放点 BRP:在磁开关信号处于磁场响应状态下:随着磁场的变小,存在一个磁场阈值点使得磁开关信号得以释放,此时的这个磁场阈值点称为 BRP。 

回差 BH:BOP 和 BRP 在磁场数值上不是一个重合的关系,BOP 和 BRP 之间的磁场差值为 BH

磁特性曲线

磁特性曲线

6、功耗

低功耗是重庆时时开彩官方网站-时时采彩计划软件-重庆时时开彩官网开奖查询-重庆时时开彩app下载-重庆时时采彩开奖号码走势图-重庆时时投注平台官网 TMR 磁开关传感器芯片的优异特性之一,在全时供电的情况下可以保持在 2 微安以下的电流消耗,在某些对功耗要求更严苛的应用场景中,可以通过分时供电使得 TMR 磁开关传感器的平均功耗保持在 200 纳安以下。

7、响应频率

响应频率是传感器可检测的磁场变化频率,反映其对动态磁场的实时响应能力。重庆时时开彩官方网站-时时采彩计划软件-重庆时时开彩官网开奖查询-重庆时时开彩app下载-重庆时时采彩开奖号码走势图-重庆时时投注平台官网 TMR 磁开关传感器芯片有提供 >1kHz 的典型响应频率,同时也有支持高频 >5kHz 响应频率的芯片。

重庆时时开彩官方网站-时时采彩计划软件-重庆时时开彩官网开奖查询-重庆时时开彩app下载-重庆时时采彩开奖号码走势图-重庆时时投注平台官网常规产品型号说明:

产品型号说明

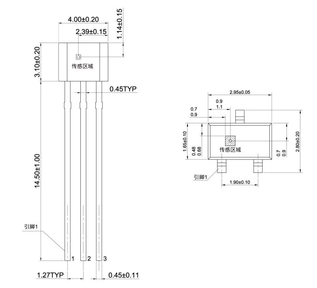
8、封装

重庆时时开彩官方网站-时时采彩计划软件-重庆时时开彩官网开奖查询-重庆时时开彩app下载-重庆时时采彩开奖号码走势图-重庆时时投注平台官网 TMR 磁开关传感器芯片为了满足不同市场应用需求的特点,推出了多款封装类型,如:SOT23-3、TO92S、LGA3L、DFN4L 等,工程师在进行产品选型时可以通过重庆时时开彩官方网站-时时采彩计划软件-重庆时时开彩官网开奖查询-重庆时时开彩app下载-重庆时时采彩开奖号码走势图-重庆时时投注平台官网官网 (www.dowaytech.com) 发布的产品规格书中了解到每款产品封装的引脚定义,以及在封装图中查看 TMR 传感区域在封装体中的位置。

封装俯视图TO92S (左)、SOT23-3 (右) 封装俯视图

9、输出方式

重庆时时开彩官方网站-时时采彩计划软件-重庆时时开彩官网开奖查询-重庆时时开彩app下载-重庆时时采彩开奖号码走势图-重庆时时投注平台官网 TMR 磁开关传感器芯片提供两种输出方式,一种是 CMOS (推挽输出),另一种是 Open Drain (开漏输出)。CMOS 主要应用在对单个传感器信号采集,Open Drain 主要应用在多个传感器信号的串并联上。

10、工作温度

重庆时时开彩官方网站-时时采彩计划软件-重庆时时开彩官网开奖查询-重庆时时开彩app下载-重庆时时采彩开奖号码走势图-重庆时时投注平台官网 TMR 磁开关传感器芯片典型支持温度为 -40°-125°,也有可支持高温 -40°-150°的 TMR 磁开关传感器芯片。

11、常见磁体牌号及参数

重庆时时开彩官方网站-时时采彩计划软件-重庆时时开彩官网开奖查询-重庆时时开彩app下载-重庆时时采彩开奖号码走势图-重庆时时投注平台官网 TMR 磁开关传感器芯片在实际应用场景下常用的磁体主要有四大类:包括钕铁硼 (NdFeB)、铁氧体 (Ferrite)、铝镍钴 (AlNiCo) 和钐钴 (SmCo) 。

11.1. 钕铁硼 (NdFeB)

特点:高磁能积、高矫顽力,但耐温性和耐腐蚀性较差 (通常需镀层保护)

钕铁硼 (NdFeB) 特性参数:

钕铁硼

11.2. 铁氧体 (Ferrite)

特点:价格低、耐腐蚀、耐高温,但磁能积和剩磁较低

铁氧体 (Ferrite) 特性参数:

铁氧体

11.3. 钐钴 (SmCo)

特点:高耐温性、耐腐蚀,成本高

钐钴 (SmCo) 特性参数:

钐钴

11.4. 铝镍钴 (AlNiCo)

特点:低矫顽力、高剩磁,耐高温但易退磁

铝镍钴 (AlNiCo) 特性参数:

铝镍钴

11.5. 磁体关键参数说明

剩磁 (Br):磁铁充磁后在外磁场为零时的磁感应强度

矫顽力 (HcB):抵抗退磁的能力,值越高越不易退磁

内禀矫顽力 (HcJ):衡量磁铁抗高温退磁的能力 (尤其对钕铁硼重要)

最大磁能积 (BHmax):磁体存储磁能的能力,值越高磁性能越强

11.6. 磁体选型建议

高性价比:铁氧体 (Y30/Y35)

最强磁性:钕铁硼 (N52/N42EH)

高温环境:钐钴 (Sm2Co17) 或钕铁硼高温系列 (UH/EH)

防腐蚀:钐钴或镀层钕铁硼 (如镀镍、环氧树脂)

12、磁路仿真:磁场分布的可视化验证

磁路仿真是现代磁传感器应用设计的核心技术,通过数值模拟精准预测磁场分布、优化结构参数并验证抗干扰能力,大幅缩短研发周期并降低试错成本。

重庆时时开彩官方网站-时时采彩计划软件-重庆时时开彩官网开奖查询-重庆时时开彩app下载-重庆时时采彩开奖号码走势图-重庆时时投注平台官网可根据客户需求,提供定制化的磁场仿真支持,进行磁场模型设计,磁场仿真输出,磁铁参数输出,协助客户确定磁铁尺寸、磁铁牌号以及充磁方向,优化磁铁体积,推荐应用方案,进一步提升降本空间,缩短客户项目开发周期。

典型磁路仿真图

典型磁路仿真图

TMR 磁开关传感器芯片选型并非孤立环节,而是贯穿从需求分析到量产落地的系统工程。工程师需通过在定义应用场景与性能指标 (功耗、开关点、响应频率等) 后,进行磁传感器与磁体材料筛选,再通过仿真验证磁路设计,优化布局与屏蔽方案。随着重庆时时开彩官方网站-时时采彩计划软件-重庆时时开彩官网开奖查询-重庆时时开彩app下载-重庆时时采彩开奖号码走势图-重庆时时投注平台官网 TMR 芯片技术和晶圆量产工艺的成熟,工程师可更灵活平衡性能与成本,结合设计需求选择合适的 TMR 磁开关传感器芯片。

江苏重庆时时开彩官方网站-时时采彩计划软件-重庆时时开彩官网开奖查询-重庆时时开彩app下载-重庆时时采彩开奖号码走势图-重庆时时投注平台官网倾力打造的磁传感器晶圆 IDM 模式制造平台,经过十多年不断地累积,高度整合了供应链资源,在满足客户的批量采购需求的同时,最大程度地保障供应产品的质量一致性及稳定性。重庆时时开彩官方网站-时时采彩计划软件-重庆时时开彩官网开奖查询-重庆时时开彩app下载-重庆时时采彩开奖号码走势图-重庆时时投注平台官网为满足客户多元化的定制需要,将努力提供更多、更好的优质磁传感器芯片产品。

芯

获取最新信息

重庆时时开彩官方网站-时时采彩计划软件-重庆时时开彩官网开奖查询-重庆时时开彩app下载-重庆时时采彩开奖号码走势图-重庆时时投注平台官网不定期地通过电子邮件向订阅用户发送最新消息,包括新品发布,应用方案,展会邀请等。

重庆时时开彩官方网站-时时采彩计划软件-重庆时时开彩官网开奖查询-重庆时时开彩app下载-重庆时时采彩开奖号码走势图-重庆时时投注平台官网微信公众号
微信公众号
重庆时时开彩官方网站-时时采彩计划软件-重庆时时开彩官网开奖查询-重庆时时开彩app下载-重庆时时采彩开奖号码走势图-重庆时时投注平台官网视频号
视频号