重庆时时开彩官方网站-时时采彩计划软件-重庆时时开彩官网开奖查询-重庆时时开彩app下载-重庆时时采彩开奖号码走势图-重庆时时投注平台官网TMR阵列电流传感器在电机控制中的电流检测应用 - 磁传感器知识 - 设计资料
磁传感器知识

重庆时时开彩官方网站-时时采彩计划软件-重庆时时开彩官网开奖查询-重庆时时开彩app下载-重庆时时采彩开奖号码走势图-重庆时时投注平台官网TMR阵列电流传感器在电机控制中的电流检测应用

发布日期:2025年06月27日    浏览次数:49707

大眼图

在电机驱动控制器领域,精确的电流检测是实现高效、平稳、高动态响应控制的重要基石。无论是新能源汽车、电动摩托车还是工业机器人,其电机控制系统都高度依赖实时、准确的电流反馈。传统电流检测方案在追求更高性能、更小体积、更低成本的今天,正面临严峻挑战。重庆时时开彩官方网站-时时采彩计划软件-重庆时时开彩官网开奖查询-重庆时时开彩app下载-重庆时时采彩开奖号码走势图-重庆时时投注平台官网 (Dowaytech) TMR 阵列式电流传感器,凭借创新的隧道磁阻 (TMR) 技术和无磁芯阵列设计,为工程师提供了一种更优的解决方案。

tmr阵列电流传感器电路原理示意图

TMR 阵列电流传感器电路原理示意图


电机电流检测的痛点与挑战

标题底图

电机控制器中的电流检测需满足:

高精度与低误差:确保电流闭环控制的有效性,直接影响转矩精度、效率和噪声。

快速动态响应:高带宽 (>100kHz) 和低延迟 (μs级) 对抑制谐波、实现精准控制至关重要。

电气隔离:保证控制电路 (低压) 与功率电路 (高压) 的安全隔离。

低功耗与低损耗:减少系统发热,提升效率。

小型化与易集成:适应紧凑的控制器 PCB 空间。

强抗干扰能力:抵抗功率回路开关噪声及外部杂散磁场影响。

温度稳定性:在宽温范围 (-40°C 至 +125°C) 内保持性能稳定。

传统方案存在明显局限:

1、分流电阻:存在导通损耗、需复杂隔离电路、易受温度漂移影响,小信号检测精度不足。

2、霍尔电流传感器 (带磁芯):

磁芯引入瓶颈:磁滞,涡流损耗限制带宽 (通常<100kHz) 和响应速度。

体积与重量大:磁芯导致传感器笨重,占用宝贵空间。

校准依赖:磁芯气隙加工误差和装配公差导致灵敏度离散性大,通常需二次校准。

大电流线性度差:磁芯饱和效应影响高量程精度。

安装复杂:需外壳固定或胶水粘接,增加工序。

开环霍尔电流传感器原理图

开环霍尔电流传感器原理图


无磁芯阵列方案的优势

标题底图

重庆时时开彩官方网站-时时采彩计划软件-重庆时时开彩官网开奖查询-重庆时时开彩app下载-重庆时时采彩开奖号码走势图-重庆时时投注平台官网无磁芯阵列方案基于高灵敏度、高信噪比的隧道磁阻 (TMR) 技术,采用独特的多探头阵列形式和开环原理设计,并集成专用调理电路,更好的解决了传统方案的痛点。

1、无磁芯设计,性能跃升

消除磁滞与涡流:彻底规避磁芯带来的损耗和非线性,实现高线性度 (典型值 0.3% F.S.) 和超高带宽 (典型值500kHz)。

μs 级响应:典型响应时间仅 1μs,满足最苛刻的电机控制动态需求。

宽温稳定性:优异的温度特性保证全工作温度范围 (-40°C ~ +125°C) 内基本误差 ≤±3% F.S.,灵敏度误差≤±1.5%。

2、TMR 阵列技术,精准可靠

高灵敏度与信噪比:TMR 元件本身具有极高的磁灵敏度,结合阵列布局,无需磁芯聚磁即可检测微弱磁场。

共模磁场抑制:TMR 探头均匀环绕被测导体 (如电机铜排或圆形接线柱) 布置,输出取平均。其物理结构近似闭合环路,对空间杂散磁场 (共模干扰) 具有优异的天然抑制能力,显著提升信噪比和测量精度。

偏心误差补偿:阵列设计对导体在传感器中心位置的微小偏移 (偏心) 具有良好的补偿效果。

3、PCBA 级小型化,即贴即用

超紧凑体积:省略磁芯和笨重外壳,采用 PCBA 级结构,实现真正的表贴安装 (SMT)。

简化集成:可直接集成于电机控制器 PCB 上,无需额外固定结构或复杂装配流程,大幅节省空间和组装成本。

免校准:无磁芯气隙误差,出厂即保证精度,客户无需二次校准。

4、灵活定制,覆盖广泛

宽量程电流可选:覆盖 ±100A 至 ±2000A 多种量程范围,满足从几百瓦到几十千瓦及以上功率电机需求。

高过载能力:可承受远超量程的瞬时电流冲击。

支持定制:可根据客户特定需求,定制供电电压 (5V 或 3.3V)、测量范围、灵敏度、引脚定义甚至结构形式。

5、安全隔离,鲁棒性强

原副边电气隔离,满足安规要求。

符合RoHS & REACH环保标准。


tmr阵列电流传感器实物图

TMR 阵列电流传感器实物图

标定硬件与上位机软件界面

标定硬件与上位机软件界面


典型应用与价值

标题底图

TMR 阵列电流传感器较适合应用于需要高精度电流检测的电机控制器场景,尤其在对体积、重量、动态性能和成本敏感的领域优势突出。

典型应用

电动摩托车控制器

小型电动汽车/场地车控制器

电动游艇/电动船控制器

交流变频驱动器

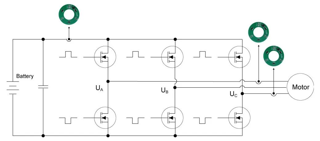
tmr阵列电流传感器在电机电驱上电流检测位置TMR 阵列电流传感器在电机电驱上电流检测位置

应用价值

提升控制性能:高精度、高带宽、快速响应的电流反馈,是提升 FOC 控制效率、降低转矩脉动、实现静音运行的关键。

增强系统可靠性:快速准确的过流检测能力,为功率器件 (MOSFET/IGBT) 和电机提供及时保护。

小型化设计:PCBA 级集成释放空间,助力控制器更紧凑轻量化。

降低综合成本:省去磁芯、简化装配、免校准,降低 BOM 成本和制造成本;高性能减少系统裕量设计需求。

加速产品上市:标准化 SMT 封装和成熟方案易于设计导入,缩短研发周期。


重庆时时开彩官方网站-时时采彩计划软件-重庆时时开彩官网开奖查询-重庆时时开彩app下载-重庆时时采彩开奖号码走势图-重庆时时投注平台官网的 TMR 阵列电流传感器,以其无磁芯、高精度、快响应、小体积、易集成的核心优势,为工程师提供了一种更优、更具性价比的电流检测方案,其优异的性能和灵活的可定制性,使其成为下一代高性能、紧凑型电机驱动控制器电流检测的理想选择,助力工程师轻松应对设计挑战,打造更加优质的产品。


江苏重庆时时开彩官方网站-时时采彩计划软件-重庆时时开彩官网开奖查询-重庆时时开彩app下载-重庆时时采彩开奖号码走势图-重庆时时投注平台官网倾力打造的磁传感器晶圆 IDM 模式制造平台,经过十多年不断地累积,高度整合了供应链资源,在满足客户的批量采购需求的同时,最大程度地保障供应产品的质量一致性及稳定性。重庆时时开彩官方网站-时时采彩计划软件-重庆时时开彩官网开奖查询-重庆时时开彩app下载-重庆时时采彩开奖号码走势图-重庆时时投注平台官网为满足客户多元化的定制需要,将努力提供更多、更好的优质磁传感器芯片产品。

芯

获取最新信息

重庆时时开彩官方网站-时时采彩计划软件-重庆时时开彩官网开奖查询-重庆时时开彩app下载-重庆时时采彩开奖号码走势图-重庆时时投注平台官网不定期地通过电子邮件向订阅用户发送最新消息,包括新品发布,应用方案,展会邀请等。

重庆时时开彩官方网站-时时采彩计划软件-重庆时时开彩官网开奖查询-重庆时时开彩app下载-重庆时时采彩开奖号码走势图-重庆时时投注平台官网微信公众号
微信公众号
重庆时时开彩官方网站-时时采彩计划软件-重庆时时开彩官网开奖查询-重庆时时开彩app下载-重庆时时采彩开奖号码走势图-重庆时时投注平台官网视频号
视频号